Productos
Casa Productos

¿Por qué los ingenieros prefieren la serie JST BVR para asientos de válvulas de bola?

¿Por qué los ingenieros prefieren la serie JST BVR para asientos de válvulas de bola?

  • December 30. 2025

Cuando se trata de sello radial unidireccional para el asiento de la válvula de bola, nuestro cliente siempre preferiría elegir el estilo JST “BVR”, pero ¿por qué?

La respuesta reside en su geometría de sellado optimizada y su diseño activado por presión. La serie BVR está compuesta por un resorte de nivel inclinado y una camisa de polímero, que se utiliza principalmente como... sello del vástago Bajo presión, el labio del sello se energiza y se presiona firmemente contra el asiento de la válvula, lo que garantiza una excelente estanqueidad incluso a niveles de alta presión.

Con la selección adecuada de materiales, como compuestos de PTFE o polímeros rellenos, el sello funciona de manera confiable bajo alta presión, fluctuaciones de temperatura y medios agresivos que se encuentran comúnmente en petróleo y gas , aplicaciones químicas e industriales.

Finalmente, los clientes valoran la facilidad de instalación y la consistencia del rendimiento. El modelo "BVR" de JST está diseñado para un ajuste preciso, minimizando los errores de instalación y garantizando resultados de sellado repetibles en diferentes tamaños de válvulas y condiciones de operación.

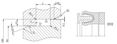
A continuación se presentan recomendaciones técnicas para las dimensiones de las ranuras.

Condiciones de trabajo

Diámetro interior (mm)

G(mm)

Diámetro exterior (mm)

L +0,2 /(mm)

Tamaño mínimoH(mm)

10000 psi

-60~180℃

7~15

2.4

9.5

9.5

3.4

15~30

3.1

10

10

5.0

30~90

4.7

12.5

12.5

6

90~600

6.1

16

16

7

600~1200

9.5

28

28

9.5

© Derechos de autor: 2026 Guangzhou JST Seals Technology Co., Ltd. Reservados todos los derechos.

粤ICP备12032262号 Red IPv6 admitida

Red IPv6 admitida

cima

dejar un mensaje

dejar un mensaje

    Si Usted está interesado en nuestros productos y desea saber más detalles, deje un mensaje aquí, le responderemos tan pronto como nosotros .. puedamos.

  • #
  • #
  • #